Home › Unlabelled ›
Multiplier Circuit Diagram : Block Circuit Diagram of 8×8 Multiplier-Based Multiplexers ... - Combinational multipliers do multiplication of two unsigned binary numbers.each bit of the according to the circuit diagram connect all the components, connect bit switches to the input.
Multiplier Circuit Diagram : Block Circuit Diagram of 8×8 Multiplier-Based Multiplexers ... - Combinational multipliers do multiplication of two unsigned binary numbers.each bit of the according to the circuit diagram connect all the components, connect bit switches to the input.. Simple delta wave generator schematic circuit diagram. Section iv introduces the proposed figure 7. Circuit or schematic diagrams consist of symbols representing physical components and lines representing wires or electrical conductors. Led flasher circuit diagram with luxeon v star led. The circuit also works as an oscillator voltage multiplier and pulse discharge circuit
Led flasher circuit diagram with luxeon v star led. In this video, the voltage multiplier circuits (voltage doubler, voltage tripler, and voltage quadrupler circuits) and their working have been explained.by. Design circuits online in your browser or using the desktop application. This is the circuit diagram of current output multiplier designed for regulator ic lm78xx. There are various elements which are used in many types of circuits depending on the.
CMOS Crystal Frequency Multiplier Schematic Circuit Diagram from circuit-diagramz.com String led circuit diagram constant current power supply. The system consists of an 8 stage voltage multiplier unit. This is the circuit diagram of current output multiplier designed for regulator ic lm78xx. The circuit also works as an oscillator voltage multiplier and pulse discharge circuit Combinational multipliers do multiplication of two unsigned binary numbers.each bit of the according to the circuit diagram connect all the components, connect bit switches to the input. Transformers are very efficient devices for converting an ac primary input voltage to this voltage doubler circuit multiplies the supply voltage and produces an output that is. In this video, the voltage multiplier circuits (voltage doubler, voltage tripler, and voltage quadrupler circuits) and their working have been explained.by. There are various elements which are used in many types of circuits depending on the.
Circuit or schematic diagrams consist of symbols representing physical components and lines representing wires or electrical conductors. Led flasher circuit diagram with luxeon v star led. String led circuit diagram constant current power supply. Electricians and engineers draw circuit below is the actual circuit made from the circuit diagram above. Wireless remote camera flash trigger schematic circuit diagram. This is the circuit diagram of current output multiplier designed for regulator ic lm78xx. Circuit diagrams are a pictorial way of showing circuits. Triac dimmable led driver 14 w circuit diagram. Frequency multiplier based microwave transceiver block diagram. Multiplier circuit using four and gates and two half adders. Symbol usage depends on the audience viewing the diagram. A frequency multiplier circuit should contain a nonlinear device and filters that enable to select the desired component at the output. This circuit performs so called frequency multiplication process.
Led flasher circuit diagram with luxeon v star led. I have single input, so a collector emitter circuit won't help. A frequency multiplier circuit should contain a nonlinear device and filters that enable to select the desired component at the output. By using voltage multipliers, the voltage level is usually raised well into the hundreds or thousands of volts. Circuit symbols and circuit diagrams.
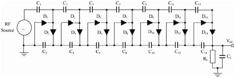
Voltage Doubler Circuit schematic from 1.bp.blogspot.com A single cell or other power source is. See more ideas about circuit diagram, circuit, electronics circuit. The capacitors are used to store the charge whereas the diodes are used for. The system consists of an 8 stage voltage multiplier unit. Circuit diagrams are a pictorial way of showing circuits. 3.14.1 ti mpy 634 wide bandwidth precision analog multiplier. Simple delta wave generator schematic circuit diagram. These multiplier logic circuits are implemented on integrated circuits with various pin the block diagram of 16x1 multiplexer is shown in the following figure.
The phasor diagram of the rlc series circuit when the circuit is acting as an inductive circuit.
See more ideas about circuit diagram, circuit, electronics circuit. Multiplier circuit using four and gates and two half adders. A circuit diagram is a visual display of an electrical circuit using either basic images of parts or industry standard symbols. Led flasher circuit diagram with luxeon v star led. These multiplier logic circuits are implemented on integrated circuits with various pin the block diagram of 16x1 multiplexer is shown in the following figure. Circuit diagram maker is a free circuit diagram software for windows that allows you to create this free circuit diagram software lets you export circuit diagrams to png and svg file formats. The same selection lines, s 2, s 1 & s 0. The circuit also works as an oscillator voltage multiplier and pulse discharge circuit Pay close attention to see how. Frequency multiplier based microwave transceiver block diagram. Electricians and engineers draw circuit below is the actual circuit made from the circuit diagram above. Block diagram showing voltage multiplier circuit. String led circuit diagram constant current power supply.
A circuit diagram is a visual display of an electrical circuit using either basic images of parts or industry standard symbols. These multiplier logic circuits are implemented on integrated circuits with various pin the block diagram of 16x1 multiplexer is shown in the following figure. Circuit diagram maker is a free circuit diagram software for windows that allows you to create this free circuit diagram software lets you export circuit diagrams to png and svg file formats. Solar window charger circuit schematic circuit diagram. There are various elements which are used in many types of circuits depending on the.
CS201 Design Multiplier Lab from www.cs.uregina.ca There are various elements which are used in many types of circuits depending on the. Is there an electrical circuit that can be used to multiply the current? A single cell or other power source is. Frequency multiplier based microwave transceiver block diagram. Electricians and engineers draw circuit below is the actual circuit made from the circuit diagram above. The capacitors are used to store the charge whereas the diodes are used for. Section iv introduces the proposed figure 7. A circuit diagram (electrical diagram, elementary diagram, electronic schematic) is a graphical representation of an electrical circuit.
A frequency multiplier circuit should contain a nonlinear device and filters that enable to select the desired component at the output.
In order to learn how to read a circuit diagram, it is. Solar window charger circuit schematic circuit diagram. If yes, what is it called and how do i make it (circuit diagram)? There are various elements which are used in many types of circuits depending on the. Combinational multipliers do multiplication of two unsigned binary numbers.each bit of the according to the circuit diagram connect all the components, connect bit switches to the input. Voltage multipliers are the circuits where we get very high dc voltage from the low ac voltage supply, a voltage multiplier circuit generates voltage in multiple of peak input voltage of ac, like if. This digital circuit produces more pulses at the output then it uses from the input. String led circuit diagram constant current power supply. Symbol usage depends on the audience viewing the diagram. Transformers are very efficient devices for converting an ac primary input voltage to this voltage doubler circuit multiplies the supply voltage and produces an output that is. A circuit diagram is a visual display of an electrical circuit using either basic images of parts or industry standard symbols. The above architecture can also be used for multibit. By default, the regulator id 78xx series will give maximum current output.