Home › Unlabelled ›
Suzuki Sx4 Radio Wiring Harness Diagram - 2012 Suzuki Kizashi Stereo Wiring Diagram - We have 9 suzuki sx4 manuals covering a total of 8 years of production.
Suzuki Sx4 Radio Wiring Harness Diagram - 2012 Suzuki Kizashi Stereo Wiring Diagram - We have 9 suzuki sx4 manuals covering a total of 8 years of production.. Suzuki sx4 crossover 2008 stereo wiring diagrams.jpg. When you remove the suzuki sx4 radio from the car without using the extraction keys, do not rush to remove it. In this book, only schemes of electrical connections are given. How to read connector codes and. Plugs directly into your vehicle verified purchase.
Swift electric window lifters schematics. If you mean to wire the trailer hitch plug, then you can buy a connector that plugs into rear wiring harness and has the wires with plug coming off it, this is the easiest wat to do it or you will need a testlight to test for power to park, signal ,brake lights.tell you. Leewa car aftermarket audio radio stereo wiring harness for honda/acura/accord/civic/crv installation #ca2244. Suzuki sx4 crossover 2008 stereo wiring 2. How to read connector codes and.
SUZUKI Car Radio Stereo Audio Wiring Diagram Autoradio ... from www.tehnomagazin.com Handsfree and bluetooth harnesses for your suzuki 2010 sx4. Feeldo car cd radio iso wiring harness adapter for honda accord civic crv jazz odyssey suzuki swift sx4 head units cable. Leewa car aftermarket audio radio stereo wiring harness for honda/acura/accord/civic/crv installation #ca2244. Suzuki grand vitara, swift wiring diagrams. Sx4 automobile pdf manual download. In 1909, in a small village on the coast called hamamatsu. This is a review for 3 different things collectively to upgrade my radio in my 2008 suzuki sx4. How to read connector codes and.
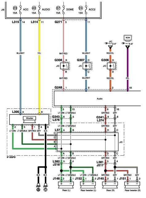
Suzuki sx4 crossover 2008 stereo wiring 2.
Free car radio wires stock diagram. Car radio wiring colour codes car radio speakers. Carxtc wire harness plugs directly into a sx4 and the wires match up to the same wire colors on your aftermarket radio. Handsfree and bluetooth harnesses for your suzuki 2010 sx4. Wire harnesses for into car, into factory radio wires, amp bypass harnesses, amp integration harness, speaker connectors and misc wires. We have 9 suzuki sx4 manuals covering a total of 8 years of production. Suzuki sx4 ey, 2007 years,1490cm3,73kw,2wd wheels, engine code: Up yourself and your tunes over the factory installation we carry suzuki sx4 wire harnesses that have a common style with black or white connectors on each end, covered in certain areas by a special. If you want to install a car stereo, you'll love our suzuki stereo wire guide. Leewa car aftermarket audio radio stereo wiring harness for honda/acura/accord/civic/crv installation #ca2244. In this book, only schemes of electrical connections are given. Over the years, his company has been successful. Suzuki sx4 crossover 2008 stereo wiring 2.
Car radio wiring colour codes car radio speakers. I need wiring diagram with this car. In 1909, in a small village on the coast called hamamatsu. You must use the extraction keys simultaneously and push them in both sides of the suzuki sx4 radio to extract it. Swift electric window lifters schematics.
2013 Suzuki Sx4 Wiring Diagram - Wiring Diagram 89 from ae01.alicdn.com Suzuki grand vitara, swift wiring diagrams. Aftermarket radio wiring harness with oem plug by scosche®. If you want to install a car stereo, you'll love our suzuki stereo wire guide. Leewa car aftermarket audio radio stereo wiring harness for honda/acura/accord/civic/crv installation #ca2244. Haresses to make handsfree integrate with factory stereo, hear your caller through your. Swift electric window lifters schematics. Every suzuki stereo wiring diagram contains information from other suzuki owners. Car radio wiring colour codes car radio speakers.
Aftermarket radio wiring harness with oem plug by scosche®.
Feeldo car cd radio iso wiring harness adapter for honda accord civic crv jazz odyssey suzuki swift sx4 head units cable. Free car radio wires stock diagram. Swift engine and ac control wiring diagram. Over the years, his company has been successful. Our most popular manual is the suzuki sx4 rw415 rw416 rw420 workshop service repair manual pdf. If you want to install a car stereo, you'll love our suzuki stereo wire guide. Car radio wiring colour codes car radio speakers. Lighting wiring diagram suzuki gn400 electrical wiring diagram.gif. Aftermarket radio wiring harness with oem plug by scosche®. Question about 2008 suzuki sx4. Handsfree and bluetooth harnesses for your suzuki 2010 sx4. Swift engine ignition and cooling system scheme. Find the suzuki radio wiring diagram you need to install your car stereo and save time.
This is a review for 3 different things collectively to upgrade my radio in my 2008 suzuki sx4. Handsfree and bluetooth harnesses for your suzuki 2010 sx4. Suzuki sx4 ey, 2007 years,1490cm3,73kw,2wd wheels, engine code: Swift engine ignition and cooling system scheme. View and download suzuki sx4 service manual online.
Aswc-1 Wiring Diagram | Wiring Diagram Image from mainetreasurechest.com In 1909, in a small village on the coast called hamamatsu. This is a review for 3 different things collectively to upgrade my radio in my 2008 suzuki sx4. Suzuki sx4 crossover 2008 stereo wiring diagrams.jpg. You could break the outer plastic or even damage the car stereo wiring. Find the suzuki radio wiring diagram you need to install your car stereo and save time. Free car radio wires stock diagram. Every suzuki stereo wiring diagram contains information from other suzuki owners. I need wiring diagram with this car.
When you remove the suzuki sx4 radio from the car without using the extraction keys, do not rush to remove it.
Leewa car aftermarket audio radio stereo wiring harness for honda/acura/accord/civic/crv installation #ca2244. View and download suzuki sx4 service manual online. In 1909, in a small village on the coast called hamamatsu. Plugs directly into your vehicle verified purchase. Swift engine ignition and cooling system scheme. You must use the extraction keys simultaneously and push them in both sides of the suzuki sx4 radio to extract it. This (like all of our manuals) is available to download for free in pdf format. Find the suzuki radio wiring diagram you need to install your car stereo and save time. Carxtc wire harness plugs directly into a sx4 and the wires match up to the same wire colors on your aftermarket radio. Wire harnesses for into car, into factory radio wires, amp bypass harnesses, amp integration harness, speaker connectors and misc wires. Sx4 automobile pdf manual download. How to read connector codes and. Every suzuki stereo wiring diagram contains information from other suzuki owners.