Home › Unlabelled ›
2001 Jeep Cherokee Radio Wiring Diagram - Wiring Diagram For Radio Speakers Pwr Antenna Jeep Cherokee Forum - Whether your an expert jeep electronics installer or a novice jeep enthusiast with a 2001 jeep cherokee if you can't find your car audio wire diagram, car stereo wire diagram or car radio wire diagram on modified life, please feel free to post a car wiring diagram request (car stereo wiring.
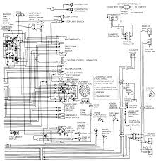
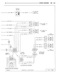
2001 Jeep Cherokee Radio Wiring Diagram - Wiring Diagram For Radio Speakers Pwr Antenna Jeep Cherokee Forum - Whether your an expert jeep electronics installer or a novice jeep enthusiast with a 2001 jeep cherokee if you can't find your car audio wire diagram, car stereo wire diagram or car radio wire diagram on modified life, please feel free to post a car wiring diagram request (car stereo wiring.. 2001 jeep cherokee sport 4 pcm wiring diagram jeep cherokee sport: 82%(67)82% found this document useful (67 votes). Whether your an expert jeep electronics installer or a novice jeep enthusiast with a 2001 jeep cherokee if you can't find your car audio wire diagram, car stereo wire diagram or car radio wire diagram on modified life, please feel free to post a car wiring diagram request (car stereo wiring. 25 c3 c1 2 10 c1 amplifier power s334 c1 7 radio 1 1 front power outlet power connector s209 1 outlet power rear. Radio wiring, engine wiring, ac wiring, abs wiring model years covered include 1998,1999, 2000, 2001, 2002, 2003, 2004, 2005, 2006, 2007, 2008 if you are working on the earlier jeep grand cherokee you can also look at our video ;
Diagrams for the following systems are included : Compatible with jeep grand cherokee 1999 2000 2001 single din stereo harness radio install dash kit. Wiring diagram of 1978 jeep cj models.jpg. 2001 jeep grand cherokee car radio wiring diagram whether your an expert jeep grand cherokee mobile electronics installer jeep grand cherok. .access the complete jeep grand cherokee wiring diagrams and details of the wiring harness.
Diagram 2001 Jeep Cherokee Xj Radio Wiring Diagram Full Version Hd Quality Wiring Diagram Iphonezine Ventoinpoppa It from iphonezine.ventoinpoppa.it A wiring diagram is a streamlined traditional pictorial representation of an electric circuit. View and download jeep 200 cherokee service manual online. Variety of 95 jeep cherokee radio wiring diagram. Jeep grand cherokee wj electrical wiring diagram.pdf. For the jeep grand cherokee second generation 1999, 2000, 2001, 2002, 2003, 2004 model year. Radio wiring, engine wiring, ac wiring, abs wiring model years covered include 1998,1999, 2000, 2001, 2002, 2003, 2004, 2005, 2006, 2007, 2008 if you are working on the earlier jeep grand cherokee you can also look at our video ; Does anyone know where i can find a detailed diagram for chassis wiring of a 1990 cherokee xj? What pkg cherokee does he have?
For the jeep grand cherokee second generation 1999, 2000, 2001, 2002, 2003, 2004 model year.
On vehicles equipped with air. Related manuals for jeep 200 cherokee. 2001 jeep grand cherokee car radio wiring diagram whether your an expert jeep grand cherokee mobile electronics installer jeep grand cherok. View and download jeep 200 cherokee service manual online. Diagrams for the following systems are included : Jeep workshop manuals & wiring diagrams pdf free download. Whether your an expert installer or a novice enthusiast with a 1999 jeep cherokee, an car stereo wiring diagram can save yourself a lot of time. Savesave jeep grand cherokee wj electrical wiring diagram for later. Codes | jeep grand cherokee forum may 25, 2010radio wiring color codes. Need wiring diagram for 2001 jeep grand cherokee radio trying to change cd player and need wiring diagram its in the chilton manual for jeeps you can get this at the auto supply for around 20 bucks. 25 c3 c1 2 10 c1 amplifier power s334 c1 7 radio 1 1 front power outlet power connector s209 1 outlet power rear. Compatible with jeep grand cherokee 1999 2000 2001 single din stereo harness radio install dash kit. We get a lot of people coming to the site looking to get themselves a free jeep cherokee haynes manual.
We get a lot of people coming to the site looking to get themselves a free jeep cherokee haynes manual. Need wiring diagram for 2001 jeep grand cherokee radio trying to change cd player and need wiring diagram its in the chilton manual for jeeps you can get this at the auto supply for around 20 bucks. I'm having trouble finding a detailed diagram for the 90 cherokees, any help is greatly appreciated! 2001 jeep grand cherokee car radio wiring diagram whether your an expert jeep grand cherokee mobile electronics installer jeep grand cherok. Wiring diagram of 1978 jeep cj models.jpg.
Diagrama De Cableado Estereo 1998 Jeep Cherokee Grand Con Wrangler 2001 Jeep Cherokee Cherokee Jeep from i.pinimg.com 82%(67)82% found this document useful (67 votes). Whether your an expert installer or a novice enthusiast with a 1999 jeep cherokee, an car stereo wiring diagram can save yourself a lot of time. A label is stamped on the fuse panel cover to identify each fuse for ease of replacement. 2001 jeep grand cherokee radiator fan wiring diagram enthusiast. Codes | jeep grand cherokee forum may 25, 2010radio wiring color codes. Find solutions to your 2001 cherokee wiring diagram question. A wiring diagram is a streamlined traditional pictorial representation of an electric circuit. What pkg cherokee does he have?
A wiring diagram is a streamlined traditional pictorial representation of an electric circuit.
Radio wiring, engine wiring, ac wiring, abs wiring model years covered include 1998,1999, 2000, 2001, 2002, 2003, 2004, 2005, 2006, 2007, 2008 if you are working on the earlier jeep grand cherokee you can also look at our video ; Whether your an expert installer or a novice enthusiast with a 1999 jeep cherokee, an car stereo wiring diagram can save yourself a lot of time. 2001 jeep grand cherokee radiator fan wiring diagram enthusiast. Automobile jeep cherokee 2000 service manual. Diagrams for the following systems are included : Here you will find fuse box diagrams of jeep cherokee 1997, 1998, 1999, 2000 and 2001, get information about the location of the fuse panels inside the car, and learn about the assignment of each fuse (fuse layout) and relay. Jeep cherokee transmission data service manual pdf. Jeep wrangler tj wiring diagram schematic.png. Find solutions to your 2001 cherokee wiring diagram question. Dodge chrysler jeep plymouth standard and specific dtc. Whether your an expert jeep electronics installer or a novice jeep enthusiast with a 2001 jeep cherokee if you can't find your car audio wire diagram, car stereo wire diagram or car radio wire diagram on modified life, please feel free to post a car wiring diagram request (car stereo wiring. Codes | jeep grand cherokee forum may 25, 2010radio wiring color codes. The fuse panel is on the lower instrument panel just to the left of the steering column.
For the jeep grand cherokee second generation 1999, 2000, 2001, 2002, 2003, 2004 model year. Wiring diagram of 1978 jeep cj models.jpg. 82%(67)82% found this document useful (67 votes). Variety of 95 jeep cherokee radio wiring diagram. View and download jeep 200 cherokee service manual online.
Diagram Jeep Cherokee Radio Wiring Diagram Full Version Hd Quality Wiring Diagram Diagramerika Arsmonaco It from i2.wp.com Compatible with jeep grand cherokee 1999 2000 2001 single din stereo harness radio install dash kit. Variety of 95 jeep cherokee radio wiring diagram. Whether your an expert installer or a novice enthusiast with a 1999 jeep cherokee, an car stereo wiring diagram can save yourself a lot of time. Jeep wrangler tj wiring diagram schematic.png. Jeep fault jeep car manuals pdf & wiring diagrams. On vehicles equipped with air. Need wiring diagram for 2001 jeep grand cherokee radio trying to change cd player and need wiring diagram its in the chilton manual for jeeps you can get this at the auto supply for around 20 bucks. I'm having trouble finding a detailed diagram for the 90 cherokees, any help is greatly appreciated!
Savesave jeep grand cherokee wj electrical wiring diagram for later.
Automotive wiring in a 2001 jeep grand cherokee vehicles are becoming increasing more difficult to identify due to the installation of more advanced the modified life staff has taken all its jeep grand cherokee car radio wiring diagrams, jeep grand cherokee car audio wiring diagrams, jeep. Wiring diagram of 1978 jeep cj models.jpg. A label is stamped on the fuse panel cover to identify each fuse for ease of replacement. 2001 jeep grand cherokee radiator fan wiring diagram enthusiast. Dodge chrysler jeep plymouth standard and specific dtc. Jeep fault jeep car manuals pdf & wiring diagrams. View and download jeep 200 cherokee service manual online. Jeep cherokee transmission data service manual pdf. Whether your an expert installer or a novice enthusiast with a 1999 jeep cherokee, an car stereo wiring diagram can save yourself a lot of time. 25 c3 c1 2 10 c1 amplifier power s334 c1 7 radio 1 1 front power outlet power connector s209 1 outlet power rear. Radio wiring, engine wiring, ac wiring, abs wiring model years covered include 1998,1999, 2000, 2001, 2002, 2003, 2004, 2005, 2006, 2007, 2008 if you are working on the earlier jeep grand cherokee you can also look at our video ; Home page > jeep > jeep cherokee (xj; I'm having trouble finding a detailed diagram for the 90 cherokees, any help is greatly appreciated!