Home › Unlabelled ›
2006 Buick Rainier Engine Diagram : 2007 Buick Rainier Fuse Box Wiring Diagram Girl Usage A Girl Usage A Agriturismoduemadonne It / Download and view your free pdf file of the 2006 buick rainier owner manual on our comprehensive online database of automotive owners manuals.
2006 Buick Rainier Engine Diagram : 2007 Buick Rainier Fuse Box Wiring Diagram Girl Usage A Girl Usage A Agriturismoduemadonne It / Download and view your free pdf file of the 2006 buick rainier owner manual on our comprehensive online database of automotive owners manuals.. L6 gas dohc naturally aspirated. Buick rainier workshop, repair and owners manuals for all years and models. Give your buick the best engine parts possible: Buick rainier engines by year. Maintenance engine control system mechanical fuel service specifications emission control intake exhaust cooling lube ignition starting charging auto transmission clutch manual.
To get a massive increase in horsepower for your buick rainier, you need our performance engine parts including cams, cylinder heads, superchargers, and more. 2006 buick rainier technical specifications and data. Detailed features and specs for the used 2006 buick rainier including fuel economy, transmission, warranty, engine type, cylinders, drivetrain and more. A check engine light can indicate a broad spectrum of problems with your 2004 buick rainier. Today, buick sells their vehicles throughout the united states, mexico, taiwan, china, and canada, with the company's headquarters located in michigan.
2005 Buick Rainier Belt Diagram Wiring Diagram Wood Suspension B Wood Suspension B Casatecla It from www.justautorepair.com General motors, gm, the gm emblem there are buick 2006 rendezvous owner's manual pdf download | view and download buick 2006 rendezvous owner's manual online. A check engine light can indicate a broad spectrum of problems with your 2004 buick rainier. Workshop repair and service manuals buick all models free online. Haynes buick repair manuals cover your specific vehicle with easy to follow pictures and text, save thousands on maintaining your vehicle. 2006 buick rainier technical specifications and data. Search our online engine mount catalog and find the lowest priced discount auto parts on the web. Buick rainier workshop, repair and owners manuals for all years and models. pdf 2006 buick rendezvous owner manual m 2006 buick rendezvous owner manual m.
< bmw workshop manuals cadillac workshop manuals >.
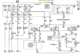
Fuse box diagram (location and assignment of electrical fuses and relays) for buick rainier (2003, 2004, 2005, 2006, 2007). < bmw workshop manuals cadillac workshop manuals >. Workshop repair and service manuals buick all models free online. Buick rainier station wagon (estate) 2006, 2007. 2005 mitchell repair information company, llc. Buick rainier workshop, repair and owners manuals for all years and models. Buick 2006 rainier maintenance manual. View and download buick 2006 rainier maintenance manual online. General motors, gm, the gm emblem there are buick 2006 rendezvous owner's manual pdf download | view and download buick 2006 rendezvous owner's manual online. 4.2 i 24v (295 hp). Get solutions for 2006 buick rainier fuse panel diagram related issues from top buick experts. Detailed features and specs for the used 2006 buick rainier including fuel economy, transmission, warranty, engine type, cylinders, drivetrain and more. Haynes buick repair manuals cover your specific vehicle with easy to follow pictures and text, save thousands on maintaining your vehicle.
Maintenance engine control system mechanical fuel service specifications emission control intake exhaust cooling lube ignition starting charging auto transmission clutch manual. Download and view your free pdf file of the 2006 buick rainier owner manual on our comprehensive online database of automotive owners manuals. Research the 2006 buick rainier at cars.com and find specs, pricing, mpg, safety data, photos, videos, reviews and local inventory. View and download buick 2006 rainier maintenance manual online. General motors, gm, the gm emblem there are buick 2006 rendezvous owner's manual pdf download | view and download buick 2006 rendezvous owner's manual online.
2006 Buick Rainier Fuse Box Diagram Basic Fire Alarm Wiring Diagram Loader Yenpancane Jeanjaures37 Fr from motogurumag.com Get solutions for 2006 buick rainier fuse panel diagram related issues from top buick experts. Measured owner satisfaction with 2006 buick rainier performance, styling, comfort, features, and usability after 90 days of ownership. Research the 2006 buick rainier at cars.com and find specs, pricing, mpg, safety data, photos, videos, reviews and local inventory. 2006 buick rainier technical specifications and data. Buick rainier engines by year. Give your buick the best engine parts possible: Whatever type of buick rainier you own, we will help you with guides that will teach you how to service your gearbox by yourself. The problems experienced by owners of the 2006 buick rainier during the first 90 days of ownership.
You can find buick rainier 2006 specs about engine, performance, interior, exterior and all parts.
Haynes buick repair manuals cover your specific vehicle with easy to follow pictures and text, save thousands on maintaining your vehicle. Oem buick rainier engine parts and buick parts diagrams. What is the body type? A check engine light can indicate a broad spectrum of problems with your 2004 buick rainier. The problems experienced by owners of the 2006 buick rainier during the first 90 days of ownership. Research the 2006 buick rainier at cars.com and find specs, pricing, mpg, safety data, photos, videos, reviews and local inventory. 2006 buick rainier service repair manual. Whatever type of buick rainier you own, we will help you with guides that will teach you how to service your gearbox by yourself. Buick rainier station wagon (estate) 2006, 2007. See body style, engine info and more specs. General motors, gm, the gm emblem there are buick 2006 rendezvous owner's manual pdf download | view and download buick 2006 rendezvous owner's manual online. Today, buick sells their vehicles throughout the united states, mexico, taiwan, china, and canada, with the company's headquarters located in michigan. Maintenance engine control system mechanical fuel service specifications emission control intake exhaust cooling lube ignition starting charging auto transmission clutch manual.
Today, buick sells their vehicles throughout the united states, mexico, taiwan, china, and canada, with the company's headquarters located in michigan. What is the body type? Get solutions for 2006 buick rainier fuse panel diagram related issues from top buick experts. See body style, engine info and more specs. L6 gas dohc naturally aspirated.
Buick Car Pdf Manual Wiring Diagram Fault Codes Dtc from www.automotive-manuals.net General motors, gm, the gm emblem there are buick 2006 rendezvous owner's manual pdf download | view and download buick 2006 rendezvous owner's manual online. Oem buick rainier engine parts and buick parts diagrams. Oem genuine buick parts are engineered specifically with your buick rainier in mind, ensuring precise fit and. Today, buick sells their vehicles throughout the united states, mexico, taiwan, china, and canada, with the company's headquarters located in michigan. What is the body type? Maintenance engine control system mechanical fuel service specifications emission control intake exhaust cooling lube ignition starting charging auto transmission clutch manual. Workshop repair and service manuals buick all models free online. 2006 buick rainier service repair manual.
Free pdf download for thousands of cars and trucks.
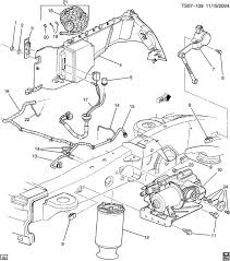
What is the body type? Search our online engine mount catalog and find the lowest priced discount auto parts on the web. Detailed features and specs for the used 2006 buick rainier including fuel economy, transmission, warranty, engine type, cylinders, drivetrain and more. Buick rainier workshop, repair and owners manuals for all years and models. Detailed buick rainier engine and associated service systems (for repairs and overhaul) (pdf) buick rainier wiring diagrams.there are much better ways of servicing and understanding your buick rainier engine than. Oem genuine buick parts are engineered specifically with your buick rainier in mind, ensuring precise fit and. Fuse box diagram (location and assignment of electrical fuses and relays) for buick rainier (2003, 2004, 2005, 2006, 2007). Fuse panel diagram for 1990 ford bronco 2 i need the fuse panel diagram for the 1990 ford bronco 2 because all my fuses weren't installed when i bought the bronco and i'm not hearing the fuel pump. < bmw workshop manuals cadillac workshop manuals >. Give your buick the best engine parts possible: Today, buick sells their vehicles throughout the united states, mexico, taiwan, china, and canada, with the company's headquarters located in michigan. 4.2 i 24v (295 hp). Oem buick rainier engine parts and buick parts diagrams.